Generic selectors
Exact matches only
Search in title
Search in content
Post Type Selectors
post
page
0,00
Generic selectors
Exact matches only
Search in title
Search in content
Post Type Selectors
post
page
0

Universal 4" PFUI double smoke outlet kit in AISI 304 for hot smoke

cod. PFUI4P000000000   Delivery Time:  15  Days
468,00
Sectors: Plant Components
Applications: Fix
Issues: Fumes

kit consisting of 2 x 4″ smoke outlets in AISI 304 with universal connection for the application of sampling points on circular or rectangular section chimneys

Select one of the available models
SKU Variant Code Price Offer price Products Name Delivery Time Table Technical Data Arm diameter Arm type Arm length Bench type Length MT Length mm Diameter Cartridge type Filter surface area Q max Suction hoses ATEX Cartridges / Filters Motor Watts Torrino Fan Fan Type Engine power Measure cm Measurement mm Color Cable length Max. pressure Thickness Inside diameter x outside diameter mm Efficiency Packaging Weight eff. % RPM Max. amperes Start-up Case dim Size table Active variant Filter Version Height testing Price
* Delivery time: Delivery time is estimated and is understood as departure date from our warehouse.

Description

This patented smoke outlet allows samples to be taken from industrial chimneys that emit air into the atmosphere resulting from hot working processes, e.g., foundries.

Made of AISI 304 stainless steel in accordance with EN15259, mainly used in plants where there is a flow of hot air, this product is UNIVERSAL and therefore adaptable to all types of pipes with diameters from 250[mm] upwards, including rectangular pipes.

The fume extraction connection is a product necessary for taking samples from industrial chimneys.

This fume outlet fits all types of pipes:

-cylindrical, with diameters equal to and greater than 250 [mm];

-rectangular, i.e., on flat surfaces.

Therefore, no special modifications or adapters are required depending on the surface on which it is installed.

Created with the idea of replacing the traditional, commonly used, handcrafted smoke sampling connection with a standard, versatile commercial product, made to last (100% AISI 304 stainless steel).

It consists of a central body equipped with fins for fixing to pipes and a flange for coupling with sampling probes, also equipped with a screw-on cap.

Specifically, the two side fins have notches that facilitate bending and therefore installation on all circular section pipes with a diameter of 250 [mm] up to rectangular sections.

The flange has two additional threaded holes that can be used to support and secure the cap and screws during sampling.

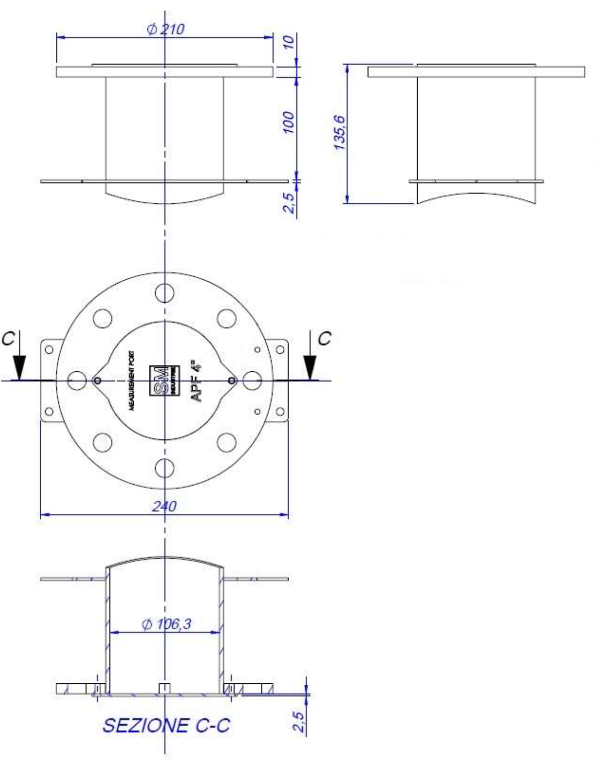
Technical data

Code
PFUI4P000000000

Dimensions

Code
PFUI4P000000000

Documentation

disegno_PFUI.pdf

Technical sheet (SecureAir_SP_PFUI4P000000000_2026_05_17_en.pdf)
Highlight category

Related products

CONTACTS

Ask for further information

To respond quickly and efficiently to all the needs of our customers, we are present in Italy with the main office and other units that you can contact by filling out the form below. Our expert consultant will answer you within 24/48 hours of your request








    Privacy Policy *

    Letto e compreso

      0
      Your Cart
      Your cart is emptyReturn to Shop